當前位置:產品中心 > 焦爐煤氣流量計 > 焦爐煤氣流量計
| 型 號: | DQZ |
| 品 牌: | 多欽儀表 |
| 所屬分類: | 焦爐煤氣流量計 |
| 所 在 地: | 上海 |
| 更新日期: | 2017.06.19 12:36:25 |
常用差壓式V錐流量計來測量,壓損小,耐高溫高壓或低溫低流量;DN10-3000.
?焦爐煤氣概念:
焦爐煤氣,又稱焦爐氣,英文名為Coke Oven Gas(COG),由于可燃成分多,屬于高熱值煤氣,粗煤氣或荒煤氣。是指用幾種煙煤配制成煉焦用煤,在煉焦爐中經過高溫干餾后,在產出焦炭和焦油產品的同時所產生的一種可燃性氣體,是煉焦工業的副產品。焦爐氣是混合物,其產率和組成因煉焦用煤質量和焦化過程條件不同而有所差別,一般每噸干煤可生產焦爐氣300~350m3(標準狀態)。其主要成分為氫氣(55%~60%)和甲烷(23%~27%),另外還含有少量的一氧化碳(5%~8%)、C2以上不飽和烴(2%~4%)、二氧化碳(1.5%~3%)、氧氣(0.3%~0.8%))、氮氣(3%~7%)。其中氫氣、甲烷、一氧化碳、C2以上不飽和烴為可燃組分,二氧化碳、氮氣、氧氣為不可燃組分。
?焦爐煤氣用途:
1、焦爐煤氣用于合成甲醇;
2、焦爐煤氣用于合成天然氣;
3、焦爐煤氣用于制氫;
4、焦爐煤氣用于發電;
5、焦爐煤氣用于生產化肥;
6、焦爐煤氣用于生產直接還原鐵。
?焦爐煤氣的計量,通常選用V錐流量計來測量。
?
?焦爐煤氣流量計技術規格?
? 1、V型錐流量計有直焊式和法蘭連接式、方管式、對夾式、非標訂制幾種結構形式。 產品供貨范圍見選型表。 ?
? 2、使用范圍:廣泛運用于油,水,氣,汽各種流體,特別是一些高溫高壓,臟污介質的測量,明顯強于其它的儀表 ?
? 3、準確度等級:±0.5%?
? 4、重復性:0.1%?
? 5、工作壓力:最大42MPa?
? 6、工作溫度:-40~700C°?
? 7、環境溫度:-40~80C°?
? 8、量程比:通常為10:1,選用合適的差壓變速器可達60:1?
? 9、安裝直管段要求:前3D直管段,后1D直管段?
? 10、適用介質:幾乎適用于所有氣體、液體介質?
? 11、公稱通徑:DN15~DN2000?
? 12、結構材料材質:管道,表體法蘭及V錐體可提供多種材質供用戶選擇,來滿足不同工況的需要?
? 13、安裝方式:可提供多種附件供用戶安裝,滿足用戶的各種工況的需求,可以任意方向安裝,與介質狀態無關?
? 14、防爆等級(差壓變送器):隔爆、本安、不防爆可供選擇(差壓變送器)?
? 15、供電電源(差壓變送器):12~24VDC?
? 16、輸出信號(差壓變送器):4~20mA或HART協議
?
?
??焦爐煤氣流量計選型、實物以及配置說明:
???選型訂貨時,首先要給制造企業提供以下工藝參數:
? 被測介質的名稱;·管道口徑;使用場合;介質狀態、溫度和壓力;刻度流量、最大流量、最小流量;工藝管線管徑和材質,具體的安裝要求。
注:上述參數是制造廠在生產之前進行詳細計算的基礎,沒有這些參數,很難制作一臺符合用戶要求的V錐流量計。制造廠根據用戶提供的上述參數,計算出V錐流量傳感器的β值和差壓值(差壓變送器的量程范圍)。這些工作是在制造廠由專業工程師進行計算完成。
???常用型號:DQZ-A200A3-1.0SRFHC
型號注解:V錐流量計,DN200,測量介質為:焦爐煤氣,法蘭連接,表體和V錐體材質均為304不銹鋼,介質溫度400 度,額定壓力1.0MPa,法蘭取壓,配套高溫型安裝附件(截止閥一個,三閥組一個,冷凝管及冷凝器,引壓管二根)。
一套完整的V錐流量計包含:V錐流量傳感器、差壓變送器、安裝附件、安裝法蘭及緊固件(多自配),流量積算儀
????流量計價格隨選型規格、口徑、配置變化影響,不是一口價產品,需要根據您的工況選型報價.
?

?

?焦爐煤氣流量計配置說明:
? ?
?
V錐流量計使用說明書,下載地址:http://www.xlzrjzx.com/xiazai/detail/149
?
?
?焦爐煤氣流量計主要優勢特點?
1、永久壓力損失小?
形成獨特的局部收縮,永久壓力損失小,只有幾千帕,甚至零點幾千帕的永久壓力損失。錐體使流體軸對稱地向管壁逐漸收縮,逐漸擴散的邊壁節流,而錐體位于管道的中心軸線上,而有效的作用于高速中心區,在相同條件下,V錐的永久壓損為孔板的25%,差壓為孔板的50%,能耗小。?
2、準確度高0.5%,重復性好0.1%,量程比寬10:1
由于V錐流量傳感器采用“內壁逐漸收縮式”的節流方式,使得在下游側產生的靜壓是高頻低幅值的信號(喘流),而不是孔板等老式差壓流量計量產生的是低頻高幅值的信號,這使得差壓變送器測量出的差壓△P是低躁聲的非常穩定的信號,如果在躁聲大的背景下,差壓變送器是沒法測量出低壓力,小流量的壓力信號的。
3、安裝所需要的直管段短?
自動整流功能。安裝所需要的直管段短:前直管段只需要0~3D,后直管段只需要0~1D。直管段要求低。V形錐的圓錐形使流體的流動分散,從而使速度分布更平坦,尖形的錐體其本身就是一個流動調整器,能有效減弱速度分布中的凸形形狀。使流體速度分布符合要求,有效減少上游直管的要求。?
4、自混合功能及自清掃功能?
不堵塞不粘附,可以測量贓污流體的流量。由于錐體位于軸中心的流體的高速中心區,流體中所夾帶的液滴,氣泡,固體顆粒物會被自動清掃到管道下游,特別是在連續使用的狀況下。?
5、自保護功能?
耐磨損,具有長期穩定性,不需要重復標定。 ?由于V形錐是一個尖形體,確保沒有流體直接沖擊它的下游邊緣,使磨損減少,這樣確保流量計的 可靠性,減少維護工作量,并延長儀表的檢定周期。?
6、可測量水氣?
壓縮空氣、飽和蒸汽等氣體采用孔板測量時,孔板前常有積水,影響測量精確度。解決該問題的方法通常是將節流裝置安裝在垂直工藝管上,或改用圈缺孔板或偏心孔板。而錐體位于軸中心的流體的高速中心區的結構特點可以根本解決節流件前積水的問題,而又因為這是其固有的特點而 無需特制或特別處理,所以不會對測量造成任何不確定性。
?外形結構圖:

?
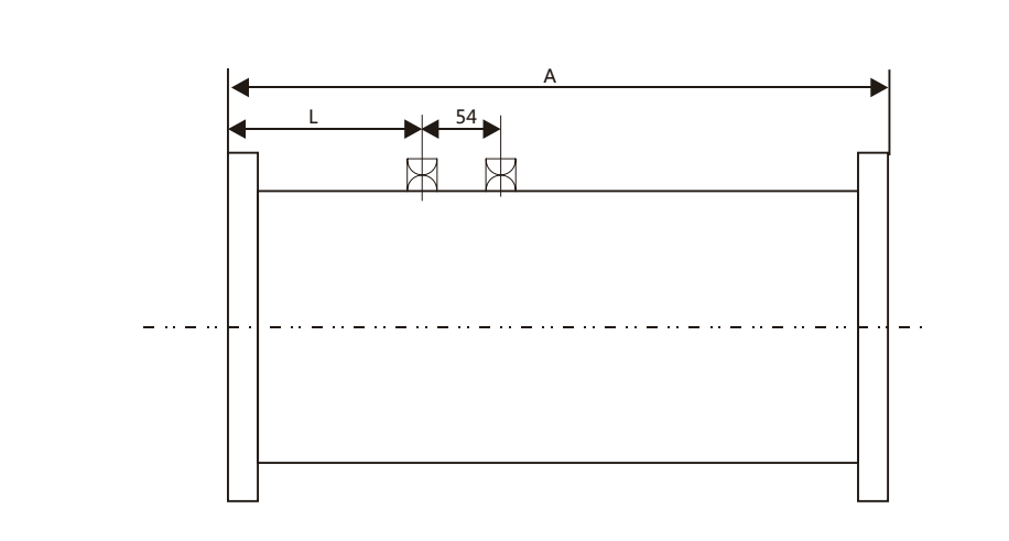
?外形結構尺寸

?
?
??典型安裝
? ? ? ? (一)流量計在安裝之前必須特別注意以下要求:?
? ? ? ? 1、注意流量計的流向,不要裝反。?
? ? ? ? 2、所有連接件必須擰緊。所有的墊片不得突出管道內壁。?
? ? ? ? 3、差壓變送器的高低壓口不能裝反。?
? ? ? ? 4、測量液體時,要防止液體中含有的氣體進入并積存在導壓管和變送器的測量室內。?
? ? ? ? 5、測量氣體時,要防止氣體中可能含有的液體進入并積存在導壓管和變送器測量室內。?
? ? ? ? 6、測量高溫液體、氣體要防止高溫介質損壞變送器,測量強腐蝕,易結晶,易堵塞介質,要防止腐蝕介質進入變送器。?
? ? ? ? 7、差壓變送器安裝位置應遠離電噪聲,如大功率變壓器、電動機、電焊機和強電源。儀表附近不能有射頻干擾,否則會干擾差壓變送器的正常工作。?
? ? ? ? 8、流量傳感器應盡量避免安裝在閥門出口近處。?
? ? ? ? 9、流量計避免安裝在架空的長細管道上,若必須安裝時,必須對安裝流量計的部分進行管道固定。?
? ? ? ? 10、蒸汽的測量?
? ? ? ? ? ? ? ? 蒸汽的測量是流量測量難度比較大的一項工作,蒸汽的熱力性質比理想氣體復雜,蒸汽的熱力性質至今還不能單純用理論方法來求得其規律,?很多情況下都是采用實驗的方法得出一些數據來總結一些公式,而且蒸汽的測量精度不高(GB/T17167企業能源計量器具性能要求中,對貿易結算的蒸汽準確度要求是+/-2.5%),對安裝的要求尤為嚴格,一般安裝的原則是:A)變送器的位置在任何情況下都要低于冷凝罐。B)冷凝?罐及液相導壓管內完全是溫度相同的液體狀態。C)汽相導壓管流路暢通且管內以汽相為主。?
? ? ? ? 11、水平安裝的V錐,其取壓口按測量的介質不同可分為以下三種安裝方式:
? ? ? ? ?(1)測量液體流量時,取壓口應向下傾斜45° ,或水平位置,防止液體里的氣體和積存在導壓管內或差壓變送器測量室內對測量帶來誤差。?

?
?
?
?
?投用前的準備工作?
1、對于氣體和液體介質,零位遷移完畢后,依次緩慢打開截止閥,再緩慢打開高壓閥、關閉平衡閥,打開低壓閥,即可投用。?
2、當介質為蒸汽時,應當待導壓管內蒸汽全部冷凝成水后再開表,防止蒸汽未冷凝時開表出現振蕩現象,引起損壞傳感器膜盒。?
為避免高溫蒸汽直接通入傳感器膜盒,燒壞傳感器膜盒及三閥組,需按如下步驟進行操作:?
?零位遷移完畢后,緩慢打開高、低壓,一次截止閥,逐步讓蒸汽進入導壓管,利用導壓管及冷凝器冷卻蒸汽(也可以采取用噴淋冷水的方法進行?冷卻,或事先通過冷凝罐往導壓管內充冷水),待導壓管內蒸汽全部冷凝成水后,打開三閥組的高、低壓取壓閥,關閉平衡閥。必須確保蒸汽進入?傳感器室的溫度要控制在100℃以內。運行中不得開啟平衡閥,否則高溫蒸汽降燒毀膜盒和三閥組。?
?用戶必須遵循本使用手冊的指令及警告,以保證儀表的正確使用。不當的使用方法可能會對儀表造成損壞。?
?
??常見故障

?
?
?售后與質保 ??
?
多欽儀表(上海)有限公司供應的所有產品:
所有產品質保2年;
免費提供電話咨詢、指導安裝調試等服務;
協商上門指導安裝、調試等事宜,只收取合理的差旅費用;
量大可以免費上門指導安裝、調試;
服務宗旨:不管產品使用多長時間,只要您找到我們,我們都會為您解決所有問題,直到滿意為止。相信我們從事流量計行業10多年的實踐經驗能為你帶來滿意的服務。
?
?
?
?
?